ส่งคำถามตอนนี้
คุณสมบัติผลิตภัณฑ์:
วัสดุที่มีความแข็งแรงสูง:รอกซิงโครนัสส่งกำลังงานหนักโดยทั่วไปทำจากวัสดุที่มีความแข็งแรงสูง ทนต่อการสึกหรอ เช่น เหล็กอัลลอยด์และโลหะผสมอลูมิเนียม เพื่อให้มั่นใจถึงความเสถียรและความทนทานภายใต้ภาระสูงและความเร็วสูง
การผลิตที่แม่นยำ:กระบวนการผลิตปฏิบัติตามมาตรฐานความแม่นยำสูงอย่างเคร่งครัด เพื่อให้แน่ใจว่าพารามิเตอร์ที่สำคัญ เช่น โปรไฟล์ฟันรอกและระยะห่างมีความแม่นยำ จึงทำให้ความแม่นยำและความเสถียรของระบบส่งกำลังดีขึ้น
การออกแบบที่หลากหลาย:เพื่อตอบสนองความต้องการของการใช้งานอุตสาหกรรมที่หลากหลาย รอกซิงโครนัสส่งกำลังงานหนักมีตัวเลือกการออกแบบที่หลากหลาย รวมถึงโปรไฟล์ฟัน ระยะพิทช์ เส้นผ่านศูนย์กลางรอก และความกว้างที่แตกต่างกัน
ระบบส่งกำลังที่มีประสิทธิภาพ:พูลเลย์ซิงโครนัสใช้ระบบส่งกำลังแบบฟันเฟือง ช่วยให้ส่งกำลังได้อย่างมีประสิทธิภาพและเสถียรเมื่อใช้ร่วมกับสายพานไทม์มิ่ง โดยทั่วไปแล้ว ประสิทธิภาพเชิงกลของพูลเลย์ซิงโครนัสจะสูง โดยอาจสูงถึง 0.98 หรือสูงกว่า
อัตราทดเกียร์ที่แม่นยำ:เนื่องจากความสัมพันธ์ของฟันระหว่างสายพานไทม์มิ่งและรอก รอกซิงโครนัสส่งกำลังงานหนักจึงสามารถให้อัตราทดเกียร์ที่แม่นยำ ซึ่งเป็นสิ่งสำคัญสำหรับการใช้งานที่ต้องการการควบคุมความเร็วและแรงบิดที่แม่นยำ
ระบบส่งกำลังแบบไม่ลื่นไถล:ระบบส่งกำลังแบบสายพานซิงโครนัสมีคุณสมบัติไม่ลื่นไถล ซึ่งหมายความว่าจะไม่มีความร้อนหรือการสึกหรอเพิ่มเติมเกิดขึ้นในระหว่างกระบวนการส่งกำลัง จึงยืดอายุการใช้งานของระบบส่งกำลังได้
พูลเลย์ไทม์มิ่งสี่เหลี่ยมคางหมูเสริมแรงซีรีส์ AT: วิวัฒนาการขั้นสูงของเทคโนโลยีซีรีส์ T โดดเด่นด้วยรูปทรงฟันที่เสริมแรงและวัสดุที่ได้รับการพัฒนาเพื่อมอบความน่าเชื่อถือที่พิสูจน์แล้วในสภาวะการทำงานที่หนักหน่วง ออกแบบมาโดยเฉพาะสำหรับระบบส่งกำลังงานหนักและการใช้งานในอุตสาหกรรมที่มีแรงบิดสูง
รอกไทม์มิ่ง AT5/AT10
| พิมพ์ | วัสดุ | การบำบัดพื้นผิว | |||||
| เอที5 | เอที10 | รอก | หน้าแปลน | ||||
| ความกว้างสายพาน: 10มม. | ความกว้างสายพาน: 15มม. | ความกว้างสายพาน: 15มม. | ความกว้างสายพาน: 20มม. | ความกว้างสายพาน: 25มม. | |||
| A:11.6 W:16.5 L:25(27/29) | A:16.6 กว้าง: 21.5 ยาว: 30(32/34) | A:16.5 W:22.5 L:38(40) | A:21.5 W:27.5 L:43(45) | A:26.5 W:32.5 L:48(50) | |||
| AW**AT5100 | AW**AT5150 | AW**AT10150 | AW**AT10200 | AW**AT10250 | 6061 | 6061 | การชุบอะโนไดซ์แบบธรรมชาติ | 
| AB**AT5100 | AB**AT5150 | AB**AT10150 | AB**AT10200 | AB**AT10250 | การชุบอะโนไดซ์สีดำ | ||
| AH**AT5100 | AH**AT5150 | AH**AT10150 | AH**AT10200 | AH**AT10250 | การชุบอะโนไดซ์แบบแข็ง | ||
| AN**AT5100 | AN**AT5150 | AN**AT10150 | AN**AT10200 | AN**AT10250 | การชุบนิกเกิล | ||
| SF**AT5100 | SF**AT5150 | SF**AT10150 | SF**AT10200 | SF**AT10250 | S45C | เอสพีซีซี | การเคลือบออกไซด์สีดำ | 
| SN**AT5100 | SN**AT5150 | SN**AT10150 | SN**AT10200 | SN**AT10250 | การชุบนิกเกิล | ||
รอกไทม์มิ่ง AT5/AT10


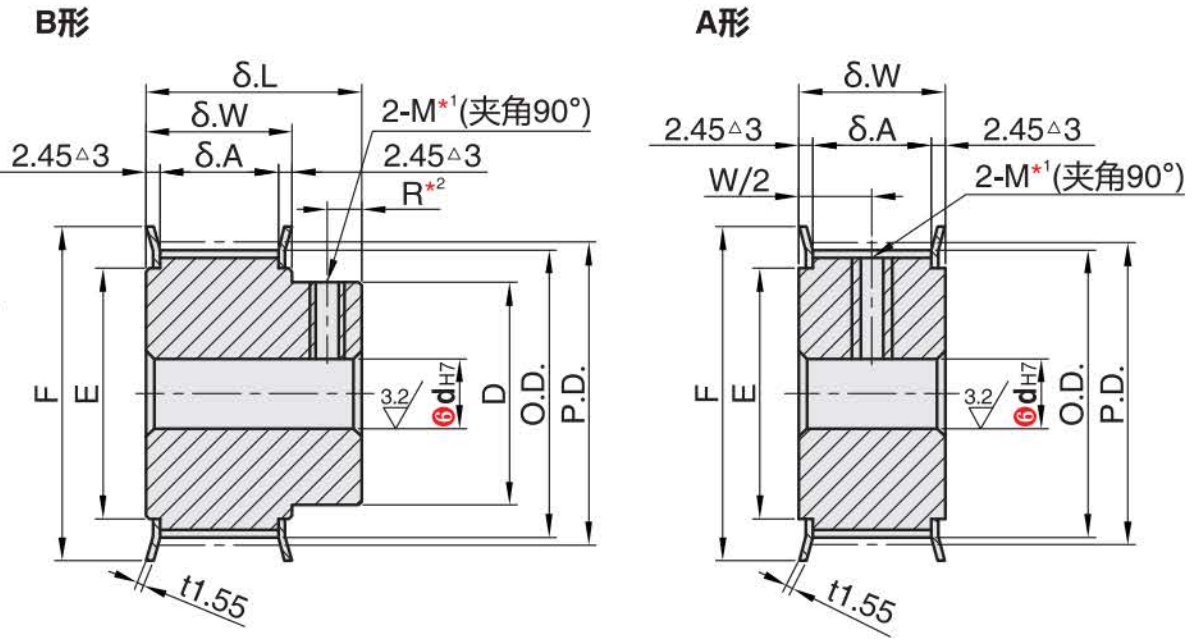
④ โปรไฟล์รอก


ขนาดร่องฟันจะแตกต่างกันเล็กน้อยขึ้นอยู่กับจำนวนฟัน ระยะฟัน AT5 (5มม.); ระยะฟัน AT10 (10มม.);
ตัวเลขหลังสามเหลี่ยมในรูประบุประเภท AT10
สำหรับข้อมูลจำเพาะของรูเพลา H (รูกลม), V, F (รูขั้นบันได) และ Y (รูขั้นบันไดที่ปลายทั้งสองด้าน) จะไม่มีรูเกลียว
ภายในรูเพลาอาจไม่ได้รับการเคลือบผิว
AT5: R=4 (จำนวนฟัน 15-16 ซี่); R=5 (จำนวนฟัน 18-28 ซี่);
R=6 (จำนวนฟัน 30-60 ซี่)
AT10: R=8 (จำนวนฟัน 14-48 ซี่)
* สำหรับรอกชนิด A และรูเพลา P หรือ N รูเกลียวทั้ง 2 รูจะอยู่ห่างจากจุดศูนย์กลางของร่องฟันประมาณ 120° หรือ 90°