ส่งคำถามตอนนี้
คุณสมบัติผลิตภัณฑ์:
การออกแบบโปรไฟล์ฟันที่ได้รับการปรับให้เหมาะสมทำให้มีพื้นที่สัมผัสที่กว้างขวางและแรงการประกบที่เพิ่มขึ้น ช่วยให้ทนต่อแรงบิดที่สูงขึ้นที่เส้นผ่านศูนย์กลางเท่ากันได้
ความแข็งแรงของวัสดุที่เหมาะสมและความแข็งแกร่งของโปรไฟล์ฟันช่วยลดการเสียรูปของฟันที่เกิดจากภาระหนัก
เหมาะสำหรับการส่งกำลังที่มีภาระหนัก การเร่งความเร็วและการสตาร์ทบ่อยครั้ง และสภาพแวดล้อมการทำงานที่มีแรงกระแทกสูง
การออกแบบการเปลี่ยนผ่านของร่องรากฟันช่วยลดความเข้มข้นของความเครียดและปรับปรุงอายุการใช้งานที่เหนื่อยล้า
ฟันเกลียวหรือโปรไฟล์ฟันพิเศษช่วยลดเสียงรบกวนและปรับปรุงความเรียบเนียนของการประกบกันได้อย่างมีประสิทธิภาพ
ขอบฟันเรียบช่วยลดการสึกหรอของสายพานและยืดอายุการใช้งานของสายพาน
พูลเลย์ไทม์มิ่งฟันโค้ง HTD (มีให้เลือกขนาดพิทช์ 2 มม./3 มม./5 มม./8 มม.) ให้แรงบิดสูงสำหรับระบบขับเคลื่อนงานหนักความเร็วปานกลางถึงต่ำ ซีรีส์ SM Serrated Curve ที่ได้รับการอัพเกรดให้ความสามารถในการใช้งานร่วมกับระบบส่งกำลังแรงบิดสูงและความเร็วสูงได้อย่างเหนือชั้น ขณะที่ซีรีส์ PM Curved Tooth โดดเด่นด้วยความสามารถในการเข้าโค้งที่เหนือกว่าและการทำงานที่เงียบเป็นพิเศษ ทำให้เป็นโซลูชันที่เหมาะสมที่สุดสำหรับการใช้งานลำเลียงความเร็วสูงที่มีความแม่นยำสูง
รอกไทม์มิ่ง S2M
| พิมพ์ | วัสดุ | การบำบัดพื้นผิว | |||
| ความกว้างสายพาน: 4มม. | ความกว้างสายพาน: 6มม. | ความกว้างสายพาน: 10มม. | รอก | หน้าแปลน | |
| A:5 W:9 L:17 | A:7 W:11 L:19 | A:11 W: 15 L: 23 | |||
| อ๊า**S2M040 | อ๊า**S2M060 | อ๊าฟ**S2M100 | 6061 | 6061 | การชุบอะโนไดซ์แบบธรรมชาติ |
| AB**S2M040 | AB**S2M060 | เอบี**เอส2เอ็ม100 | การชุบอะโนไดซ์สีดำ | ||
| AH**S2M040 | AH**S2M060 | เอเอช**เอส2เอ็ม100 | การชุบอะโนไดซ์แบบแข็ง | ||
| AN**S2M040 | AN**S2M060 | อัน**S2M100 | การชุบนิกเกิล | ||
| SF**S2M040 | SF**S2M060 | SF**S2M100 | S45C | เอสพีซีซี | การเคลือบออกไซด์สีดำ |
| SN**S2M040 | SN**S2M060 | SN**S2M100 | การชุบนิกเกิล | ||
| ซู**S2M040 | SU**S2M060 | ซู**S2M100 | SUS303 | - | |
รอกไทม์มิ่ง S3M
| พิมพ์ | วัสดุ | การบำบัดพื้นผิว | |||
| ความกว้างสายพาน: 6มม. | ความกว้างสายพาน: 10มม. | ความกว้างสายพาน: 15มม. | รอก | หน้าแปลน | |
| A:7 W:11 L:19 | A:11 W:15 L:23 | A:17 W: 21 L: 29 | |||
| อ๊า**S3M060 | เอดับบลิว**S3M100 | เอดับบลิว**S3M150 | 6061 | 6061 | การชุบอะโนไดซ์แบบธรรมชาติ |
| AB**S3M060 | เอบี**เอส3เอ็ม100 | เอบี**เอส3เอ็ม150 | การชุบอะโนไดซ์สีดำ | ||
| AH**S3M060 | เอเอช**เอส3เอ็ม100 | เอเอช**เอส3เอ็ม150 | การชุบอะโนไดซ์แบบแข็ง | ||
| AN**S3M060 | AN**S3M100 | AN**S3M150 | การชุบนิกเกิล | ||
| SF**S3M060 | SF**S3M100 | SF**S3M150 | S45C | เอสพีซีซี | การเคลือบออกไซด์สีดำ |
| SN**S3M060 | SN**S3M100 | SN**S3M150 | การชุบนิกเกิล | ||
| SU**S3M060 | ซู**S3M100 | SU**S3M150 | SUS303 | - | |
รอกไทม์มิ่ง S5M
| พิมพ์ | วัสดุ | การบำบัดพื้นผิว | |||
| ความกว้างสายพาน: 10มม. | ความกว้างสายพาน: 15มม. | ความกว้างสายพาน: 25มม. | รอก | หน้าแปลน | |
| A:11 W:16 L:28 | A:17 W:22 L:34 | A:27 W: 32 L: 44 | |||
| เอดับบลิว**S5M100 | เอดับบลิว**S5M150 | เอดับบลิว**S5M250 | 6061 | 6061 | การชุบอะโนไดซ์แบบธรรมชาติ |
| เอบี**เอส5เอ็ม100 | เอบี**เอส5เอ็ม150 | เอบี**เอส5เอ็ม250 | การชุบอะโนไดซ์สีดำ | ||
| เอเอช**เอส5เอ็ม100 | อาฮ**ส5เอ็ม150 | เอเอช**เอส5เอ็ม250 | การชุบอะโนไดซ์แบบแข็ง | ||
| AN**S5M100 | AN**S5M150 | AN**S5M250 | การชุบนิกเกิล | ||
| SF**S5M100 | SF**S5M150 | SF**S5M250 | S45C | เอสพีซีซี | การเคลือบออกไซด์สีดำ |
| SN**S5M100 | SN**S5M150 | SN**S5M250 | การชุบนิกเกิล | ||
| SU**S5M100 | SU**S5M150 | - | SUS303 | - | |
รอกไทม์มิ่ง S8M
| พิมพ์ | วัสดุ | การบำบัดพื้นผิว | ||||
| ความกว้างสายพาน: 15มม. | ความกว้างสายพาน: 25มม. | ความกว้างสายพาน: 30มม. | ความกว้างสายพาน: 40มม. | รอก | หน้าแปลน | |
| A:17 W:22 L:37(42) | A:28 W:33 L:48(53) | A:33 W: 38 L: 53(58) | A:44 W:49 L:64(69) | |||
| อ๊าฟ**S8M150 | อ๊าฟ**S8M250 | อ๊าฟ**S8M300 | อ๊าฟ**S8M400 | 6061 | 6061 | การชุบอะโนไดซ์แบบธรรมชาติ |
| เอบี**เอส8เอ็ม150 | เอบี**เอส8เอ็ม250 | เอบี**เอส8เอ็ม300 | เอบี**เอส8เอ็ม400 | การชุบอะโนไดซ์สีดำ | ||
| อาฮ**S8M150 | เอเอช**เอส8เอ็ม250 | อาฮ**เอส8เอ็ม300 | เอเอช**เอส8เอ็ม400 | การชุบอะโนไดซ์แบบแข็ง | ||
| อัน**S8M150 | อัน**S8M250 | AN**S8M300 | AN**S8M400 | การชุบนิกเกิล | ||
| SF**S8M150 | SF**S8M250 | SF**S8M300 | SF**S8M400 | S45C | เอสพีซีซี | การเคลือบออกไซด์สีดำ |
| SN**S8M150 | SN**S8M250 | SN**S8M300 | SN**S8M400 | การชุบนิกเกิล | ||
รอกไทม์มิ่ง HTD3M
| พิมพ์ | วัสดุ | การบำบัดพื้นผิว | |||
| ความกว้างสายพาน: 6มม. | ความกว้างสายพาน: 10มม. | ความกว้างสายพาน: 15มม. | รอก | หน้าแปลน | |
| A:7 W:11 L:19 | A:11 W: 15 L: 23 | A:17 W: 21 L: 29 | |||
| AW--3M060 | เอดับบลิว--3เอ็ม100 | เอดับบลิว--3เอ็ม150 | 6061 | 6061 | การชุบอะโนไดซ์แบบธรรมชาติ |
| AB--3M060 | เอบี--3เอ็ม100 | เอบี--3เอ็ม150 | การชุบอะโนไดซ์สีดำ | ||
| เอเอช--3เอ็ม060 | เอเอช--3เอ็ม100 | เอเอช--3เอ็ม150 | การชุบอะโนไดซ์แบบแข็ง | ||
| AN--3M060 | AN--3M100 | AN--3M150 | การชุบนิกเกิล | ||
| SF--3M060 | SF--3M100 | SF--3M150 | S45C | เอสพีซีซี | การเคลือบออกไซด์สีดำ |
| SN--3M060 | ส--3เอ็ม100 | SN--3M150 | การชุบนิกเกิล | ||
| SU--3M060 | SU--3M100 | SU--3M150 | SUS303 | - | |
รอกไทม์มิ่ง HTD5M
| พิมพ์ | วัสดุ | การบำบัดพื้นผิว | |||
| ความกว้างสายพาน: 10มม. | ความกว้างสายพาน: 15มม. | ความกว้างสายพาน: 25มม. | รอก | หน้าแปลน | |
| A:11 W:16 L:28 | A:17 W:22 L:34 | A:27 W: 32 L: 44 | |||
| เอดับบลิว--5เอ็ม100 | เอดับบลิว--5เอ็ม150 | เอดับบลิว--5เอ็ม250 | 6061 | 6061 | การชุบอะโนไดซ์แบบธรรมชาติ |
| เอบี--5เอ็ม100 | เอบี--5เอ็ม150 | เอบี--5เอ็ม250 | การชุบอะโนไดซ์สีดำ | ||
| เอเอช--5เอ็ม100 | เอเอช--5เอ็ม150 | เอเอช--5เอ็ม250 | การชุบอะโนไดซ์แบบแข็ง | ||
| AN--5M100 | AN--5M150 | AN--5M250 | การชุบนิกเกิล | ||
| SF--5M100 | SF--5M150 | SF--5M250 | S45C | เอสพีซีซี | การเคลือบออกไซด์สีดำ |
| SN--5M100 | SN--5M150 | SN--5M250 | การชุบนิกเกิล | ||
| SU--5M100 | SU--5M150 | - | SUS303 | - | |
รอกไทม์มิ่ง HTD8M
| พิมพ์ | วัสดุ | การบำบัดพื้นผิว | ||||
| ความกว้างสายพาน: 15มม. | ความกว้างสายพาน: 25มม. | ความกว้างสายพาน: 30มม. | ความกว้างสายพาน: 40มม. | รอก | หน้าแปลน | |
| A:17 W:22 L:37(42) | A:28 W:33 L:48(53) | A:33 W: 38 L: 53(58) | A:44 W:49 L:64(69) | |||
| เอดับบลิว--8เอ็ม150 | เอดับบลิว--8เอ็ม250 | เอดับบลิว--8เอ็ม300 | เอดับบลิว--8เอ็ม400 | 6061 | 6061 | การชุบอะโนไดซ์แบบธรรมชาติ |
| เอบี--8เอ็ม150 | เอบี--8เอ็ม250 | เอบี--8เอ็ม300 | เอบี--8เอ็ม400 | การชุบอะโนไดซ์สีดำ | ||
| เอเอช--8เอ็ม150 | เอเอช--8เอ็ม250 | เอเอช--8เอ็ม300 | เอเอช--8เอ็ม400 | การชุบอะโนไดซ์แบบแข็ง | ||
| AN--8M150 | AN--8M250 | AN--8M300 | AN--8M400 | การชุบนิกเกิล | ||
| SF--8M150 | SF--8M250 | SF--8M300 | SF--8M400 | S45C | เอสพีซีซี | การเคลือบออกไซด์สีดำ |
| SN--8M150 | SN--8M250 | SN--8M300 | SN--8M400 | การชุบนิกเกิล | ||
รอกไทม์มิ่ง P2M
| พิมพ์ | วัสดุ | การบำบัดพื้นผิว | |
| ความกว้างสายพาน: 6มม. | รอก | หน้าแปลน | |
| A:7.5 W:11.5 L:20 | |||
| อ๊าฟ**P2M060 | 6061 | 6061 | การชุบอะโนไดซ์แบบธรรมชาติ |
| SF**P2M060 | เทียบเท่ากับ S45C | เอสพีซีซี | การเคลือบออกไซด์สีดำ |
| SN**P2M060 | การชุบนิกเกิล | ||
รอกไทม์มิ่ง P3M
| พิมพ์ | วัสดุ | การบำบัดพื้นผิว | ||
| ความกว้างสายพาน: 10มม. | ความกว้างสายพาน: 15มม. | รอก | หน้าแปลน | |
| A:12 W:16 L:23(เมื่อจำนวนฟันน้อยกว่า 20, A=11) | A:17 W:21 L:29 | |||
| เอดับบลิว**พี3เอ็ม100 | อ๊าฟ**P3M150 | 6061 | 6061 | การชุบอะโนไดซ์แบบธรรมชาติ |
| SF**P3M100 | SF**P3M150 | เทียบเท่ากับ S45C | เอสพีซีซี | การเคลือบออกไซด์สีดำ |
| SN**P3M100 | SN**P3M150 | การชุบนิกเกิล | ||
รอกไทม์มิ่ง P5M
| พิมพ์ | วัสดุ | การบำบัดพื้นผิว | ||
| ความกว้างสายพาน: 10มม. | ความกว้างสายพาน: 15มม. | รอก | หน้าแปลน | |
| A:11.6 W:16 L:28 | A:16.6 W:21 L:33 | |||
| อ๊าฟ**พี5เอ็ม100 | อ๊าฟ**พี5เอ็ม150 | 6061 | 6061 | การชุบอะโนไดซ์แบบธรรมชาติ |
| เอบี**พี5เอ็ม100 | เอบี**พี5เอ็ม150 | การชุบอะโนไดซ์สีดำ | ||
| เอเอช**พี5เอ็ม100 | เอเอช**พี5เอ็ม150 | การชุบอะโนไดซ์แบบแข็ง | ||
| อัน**พี5เอ็ม100 | อัน**พี5เอ็ม150 | การชุบนิกเกิล | ||
| SF**P5M100 | SF**P5M150 | เทียบเท่ากับ S45C | เอสพีซีซี | การเคลือบออกไซด์สีดำ |
| SN**P5M100 | SN**P5M150 | การชุบนิกเกิล | ||
รอกไทม์มิ่ง P8M
| พิมพ์ | วัสดุ | การบำบัดพื้นผิว | ||
| ความกว้างสายพาน: 15มม. | ความกว้างสายพาน: 25มม. | รอก | หน้าแปลน | |
| A:16.8 W:22 L:39(44) | A:27.8 W:33 L:50(55) | |||
| อ๊าฟ**P8M150 | อ๊าฟ**P8M250 | 6061 | 6061 | การชุบอะโนไดซ์แบบธรรมชาติ |
| เอเอช**พี8เอ็ม150 | เอเอช**พี8เอ็ม250 | การชุบอะโนไดซ์แบบแข็ง | ||
| อัน**พี8เอ็ม150 | อัน**P8M250 | การชุบนิกเกิล | ||
| SF**P8M150 | SF**P8M250 | เทียบเท่ากับ S45C | เอสพีซีซี | การเคลือบออกไซด์สีดำ |
| SN**P8M150 | SN**P8M250 | การชุบนิกเกิล | ||
รอกไทม์มิ่ง S2M

รอกไทม์มิ่ง S3M

รอกไทม์มิ่ง S5M

รอกไทม์มิ่ง S8M

รอกไทม์มิ่ง HTD3M

รอกไทม์มิ่ง HTD5M

รอกไทม์มิ่ง HTD8M

รอกไทม์มิ่ง P2M

รอกไทม์มิ่ง P3M

รอกไทม์มิ่ง P5M

รอกไทม์มิ่ง P8M

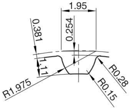
④โปรไฟล์รอก


ขนาดร่องฟันจะแตกต่างกันเล็กน้อยขึ้นอยู่กับจำนวนฟัน ระยะห่างของฟัน (2 มม.)
สำหรับข้อมูลจำเพาะของรูเพลา H (รูกลม), V, F (รูขั้นบันได) และ Y (รูขั้นบันไดที่ปลายทั้งสองด้าน) จะไม่มีรูเกลียว
ภายในรูเพลาอาจไม่ได้รับการเคลือบผิว
* สำหรับรอกชนิด A และรูเพลาแบบ P หรือ N รูเกลียวทั้ง 2 รูจะอยู่ห่างจากจุดศูนย์กลางของร่องฟันประมาณ 120° หรือ 90°
④โปรไฟล์รอก


ขนาดร่องฟันจะแตกต่างกันเล็กน้อยขึ้นอยู่กับจำนวนฟัน ระยะห่างของฟัน (3 มม.)
สำหรับข้อมูลจำเพาะของรูเพลา H (รูกลม), V, F (รูขั้นบันได) และ Y (รูขั้นบันไดที่ปลายทั้งสองด้าน) จะไม่มีรูเกลียว
ภายในรูเพลาอาจไม่ได้รับการเคลือบผิว
* สำหรับรอกชนิด A และรูเพลาที่มีมุม P หรือ N รูเกลียวทั้งสองรูจะอยู่ห่างจากจุดศูนย์กลางของร่องฟันประมาณ 120° หรือ 90°
④โปรไฟล์รอก


ขนาดร่องฟันจะแตกต่างกันเล็กน้อยขึ้นอยู่กับจำนวนฟัน ระยะห่างของฟัน (5 มม.)
สำหรับข้อมูลจำเพาะของรูเพลา H (รูกลม), V, F (รูขั้นบันได) และ Y (รูขั้นบันไดที่ปลายทั้งสองด้าน) จะไม่มีรูเกลียว
ภายในรูเพลาอาจไม่ได้รับการเคลือบผิว
* สำหรับรอกชนิด A และรูเพลาที่มีรู P หรือ N รูเกลียวทั้ง 2 รูจะอยู่ห่างจากจุดศูนย์กลางของร่องฟันประมาณ 120° หรือ 90°
④โปรไฟล์รอก


ขนาดร่องฟันจะแตกต่างกันเล็กน้อยขึ้นอยู่กับจำนวนฟัน ระยะห่างของฟัน (8 มม.)
สำหรับฟัน 72 ซี่ t = 2 (หน้าแปลนกลึง)
สำหรับข้อมูลจำเพาะของรูเพลา H (รูกลม), V, F (รูขั้นบันได) และ Y (รูขั้นบันไดที่ปลายทั้งสองด้าน) จะไม่มีรูเกลียวอยู่
ภายในรูเพลาอาจไม่ได้รับการเคลือบผิว
* สำหรับรอกชนิด A และรูเพลาที่มีมุม P หรือ N รูเกลียวทั้งสองรูจะอยู่ห่างจากจุดศูนย์กลางของร่องฟันประมาณ 120° หรือ 90°
④โปรไฟล์รอก


ขนาดร่องฟันจะแตกต่างกันเล็กน้อยขึ้นอยู่กับจำนวนฟัน ระยะห่างของฟัน (3 มม.)
สำหรับข้อมูลจำเพาะของรูเพลา H (รูกลม), V, F (รูขั้นบันได) และ Y (รูขั้นบันไดที่ปลายทั้งสองด้าน) จะไม่มีรูเกลียว
ภายในรูเพลาอาจไม่ได้รับการเคลือบผิว
* สำหรับรอกชนิด A และรูเพลาที่มีมุม P หรือ N รูเกลียวทั้งสองรูจะอยู่ห่างจากจุดศูนย์กลางของร่องฟันประมาณ 120° หรือ 90°
รอกไทม์มิ่ง HTD5M
④ โปรไฟล์รอก


ขนาดร่องฟันจะแตกต่างกันเล็กน้อยขึ้นอยู่กับจำนวนฟัน ระยะห่างของฟัน (5 มม.)
สำหรับข้อมูลจำเพาะของรูเพลา H (รูกลม), V, F (รูขั้นบันได) และ Y (รูขั้นบันไดที่ปลายทั้งสองด้าน) จะไม่มีรูเกลียว
ภายในรูเพลาอาจไม่ได้รับการเคลือบผิว
* สำหรับรอกชนิด A และรูเพลาที่มีมุม P หรือ N รูเกลียวทั้งสองรูจะอยู่ห่างจากจุดศูนย์กลางของร่องฟันประมาณ 120° หรือ 90°
④โปรไฟล์รอก


ขนาดร่องฟันจะแตกต่างกันเล็กน้อย ขึ้นอยู่กับจำนวนฟัน
ระยะห่างฟัน (8 มม.)
สำหรับข้อมูลจำเพาะของรูเพลา H (รูกลม), V, F (รูขั้นบันได) และ Y (รูขั้นบันไดที่ปลายทั้งสองด้าน) จะไม่มีรูเกลียว
ภายในรูเพลาอาจไม่ได้รับการเคลือบผิว
* สำหรับรอกชนิด A และรูเพลาแบบ P หรือ N รูเกลียวทั้ง 2 รูจะอยู่ห่างจากจุดศูนย์กลางของร่องฟันประมาณ 120° หรือ 90°
④โปรไฟล์รอก

ขนาดร่องฟันจะแตกต่างกันเล็กน้อย (2มม.) ขึ้นอยู่กับจำนวนฟัน
สำหรับรูเพลาแบบ H (รูกลม) และ V (รูขั้นบันได) จะไม่มีรูเกลียว บางขนาดอาจมีรูเกลียวที่เว้นไว้
ภายในรูเพลาอาจไม่ได้รับการเคลือบผิว
* สำหรับรอกที่มีรูเพลาแบบ A และรู P/N รูเกลียวทั้งสองรูจะอยู่ห่างจากจุดศูนย์กลางของร่องฟันประมาณ 120° หรือ 90°
④โปรไฟล์รอก


ขนาดร่องฟันจะแตกต่างกันเล็กน้อย (3มม.) ขึ้นอยู่กับจำนวนฟัน
สำหรับรูเพลาแบบ H (รูกลม) และ V (รูขั้นบันได) จะไม่มีรูเกลียว บางขนาดอาจมีรูเกลียวที่เว้นไว้
ภายในรูเพลาอาจไม่ได้รับการเคลือบผิว
* สำหรับรอกที่มีรูเพลาแบบ A และรู P/N รูเกลียวทั้งสองรูจะอยู่ห่างจากจุดศูนย์กลางของร่องฟันประมาณ 120° หรือ 90°
④โปรไฟล์รอก


ข้อมูลจำเพาะของรูเพลา H (รูกลม), V, F (รูขั้นบันได) และ Y (รูขั้นบันไดทั้งสองด้าน) ไม่มีรูเกลียว บางขนาดอาจมีการผ่อนแรงของรูเกลียว
ภายในรูเพลาอาจไม่ได้รับการเคลือบผิว
* สำหรับรอกชนิด A และรูเพลาที่มีรู P หรือ N ควรวางรูเกลียวทั้งสองรูให้ห่างจากจุดศูนย์กลางของร่องฟันประมาณ 120° หรือ 90°
④โปรไฟล์รอก


ข้อมูลจำเพาะของรูเพลา H (รูกลม), V, F (รูขั้นบันได) และ Y (รูขั้นบันไดทั้งสองด้าน) ไม่มีรูเกลียว บางขนาดอาจมีการผ่อนแรงรูเกลียว
ภายในรูเพลาอาจไม่ได้รับการเคลือบผิว
* สำหรับรอกชนิด A และรูเพลาที่มีรู P หรือ N ควรวางรูเกลียวทั้งสองรูให้ห่างจากจุดศูนย์กลางของร่องฟันประมาณ 120° หรือ 90°