ส่งคำถามตอนนี้
คุณสมบัติผลิตภัณฑ์:
การออกแบบความเฉื่อยต่ำ: สร้างขึ้นจากวัสดุน้ำหนักเบา (เช่น โลหะผสมอลูมิเนียม) ช่วยลดการใช้พลังงาน และเหมาะสำหรับการทำงานความเร็วต่ำถึงปานกลางเป็นระยะเวลานาน
เหมาะสำหรับโหลดเบา: โครงสร้างที่ได้รับการปรับให้เหมาะสมช่วยถ่ายโอนแรงดึงบนสายพานลำเลียงเบาได้อย่างมีประสิทธิภาพ ป้องกันการสึกหรอที่มากเกินไป
ลดความต้องการพลังงานขับเคลื่อน: ลดภาระของมอเตอร์และปรับปรุงประสิทธิภาพการใช้พลังงาน
โปรไฟล์ของฟันตรงกับสายพานซิงโครนัสอย่างสมบูรณ์แบบ ช่วยให้การทำงานไม่ลื่นไถลและอัตราทดเกียร์เสถียร
ป้องกันการเบี่ยงเบนและการสั่นสะเทือนของสายพาน ช่วยให้การขนส่งสินค้าที่ส่งผ่านเป็นไปอย่างราบรื่น
เสียงรบกวนในการทำงานต่ำ เหมาะสำหรับสภาพแวดล้อมการผลิตที่เงียบสงบ (เช่น โรงงานแปรรูปอาหารและห้องประกอบอิเล็กทรอนิกส์)
ระยะห่างของฟันที่แม่นยำ: รักษาการซิงโครไนซ์ความเร็วและตำแหน่งของสายพานลำเลียง ลดการจัดเรียงผลิตภัณฑ์ที่ไม่ถูกต้อง
ความแม่นยำในการเข้าตาข่ายสูง: ลดการสึกหรอของสายพานและยืดอายุการใช้งานของสายพานและรอก
เหมาะสำหรับสายการประกอบที่มีการทำงานต่อเนื่องยาวนาน
มอบความน่าเชื่อถือที่คุ้มค่าด้วยมาตรฐานพิทช์ 5 มม. และ 10 มม. โดดเด่นด้วยการออกแบบโปรไฟล์ฟันที่ปรับให้เหมาะสมเพื่อประสิทธิภาพการประกบที่เสถียร ออกแบบมาโดยเฉพาะสำหรับงานส่งกำลังเบาและสภาวะแรงบิดมาตรฐาน
รอกไทม์มิ่ง T5
| พิมพ์ | วัสดุ | การบำบัดพื้นผิว | ||||
| ความกว้างสายพาน: 10มม. | ความกว้างสายพาน: 15มม. | ความกว้างสายพาน: 20มม. | ความกว้างสายพาน: 25มม. | รอก | หน้าแปลน | |
| A:11 W:16 L:28 | A:17 W:22 L:34 | A:22 W: 27 L: 39 | A:27 W:32 L:44 | |||
| เอดับบลิว**T5100 | อ๊าฟ**T5150 | เอดับบลิว**T5200 | อ๊าฟ**T5250 | 6061 | 6061 | การชุบอะโนไดซ์แบบธรรมชาติ | 
| AB**T5100 | AB**T5150 | AB**T5200 | AB**T5250 | การชุบอะโนไดซ์สีดำ | ||
| AH**T5100 | AH**T5150 | AH**T5200 | AH**T5250 | การชุบอะโนไดซ์แบบแข็ง | ||
| AN**T5100 | AN**T5150 | AN**T5200 | AN**T5250 | การชุบนิกเกิล | ||
| SF**T5100 | SF**T5150 | SF**T5200 | SF**T5250 | S45C | เอสพีซีซี | การเคลือบออกไซด์สีดำ | 
| SN**T5100 | SN**T5150 | SN**T5200 | SN**T5250 | การชุบนิกเกิล | ||
รอกไทม์มิ่ง T10
| พิมพ์ | วัสดุ | การบำบัดพื้นผิว | ||||||
| ความกว้างสายพาน: 15มม. | ความกว้างสายพาน: 20มม. | ความกว้างสายพาน: 25มม. | ความกว้างสายพาน: 30มม. | ความกว้างสายพาน: 40มม. | ความกว้างสายพาน: 50มม. | รอก | หน้าแปลน | |
| A:17 W:22 L:37 | A:22 W: 27 L: 42 | A:27 W:32 L:47(52) | A:32 W:37 L:52(57) | A:43 W:48 L:61(63) | A:53 W:58 L:70 | |||
| อ๊าฟ**T10150 | อ๊าฟ**T10200 | อ๊าฟ**T10250 | อ๊าฟ**T10300 | อ๊าฟ**T10400 | อ๊าฟ**T10500 | 6061 | 6061 | การชุบอะโนไดซ์แบบธรรมชาติ | 
| AB**T10150 | AB**T10200 | AB**T10250 | AB**T10300 | AB**T10400 | AB**T10500 | การชุบอะโนไดซ์สีดำ | ||
| AH**T10150 | AH**T10200 | AH**T10250 | AH**T10300 | AH**T10400 | AH**T10500 | การชุบอะโนไดซ์แบบแข็ง | ||
| AN**T10150 | AN**T10200 | AN**T10250 | AN**T10300 | AN**T10400 | AN**T10500 | การชุบนิกเกิล | ||
| SF**T10150 | SF**T10200 | SF**T10250 | SF**T10300 | SF**T10400 | SF**T10500 | S45C | เอสพีซีซี | ฟิล์มป้องกันเฟอร์โรเฟอร์ริกออกไซด์ | 
| SN**T10150 | SN**T10200 | SN**T10250 | SN**T10300 | SN**T10400 | SN**T10500 | การชุบนิกเกิล | ||
รอกไทม์มิ่ง T5

รอกไทม์มิ่ง T10

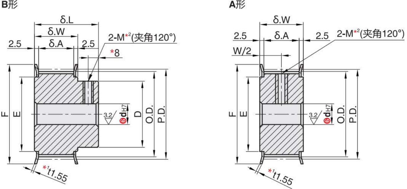
④ โปรไฟล์รอก


ขนาดร่องฟันจะแตกต่างกันเล็กน้อยขึ้นอยู่กับจำนวนฟัน ระยะห่างของฟัน (5 มม.)
สำหรับข้อมูลจำเพาะของรูเพลา H (รูกลม), V, F (รูขั้นบันได) และ Y (รูขั้นบันไดที่ปลายทั้งสองด้าน) จะไม่มีรูเกลียว
ภายในรูเพลาอาจไม่ได้รับการเคลือบผิว
* สำหรับรอกชนิด A และรูเพลาที่มีรู P หรือ N รูเกลียวทั้ง 2 รูจะอยู่ห่างจากจุดศูนย์กลางของร่องฟันประมาณ 120° หรือ 90°
④ โปรไฟล์รอก


ขนาดฟันเฟืองจะแตกต่างกันเล็กน้อยขึ้นอยู่กับจำนวนฟัน ฟันเฟือง (10 มม.)
สำหรับฟัน 34, 50 และ 60 ซี่ t = 2 (หน้าแปลนกลึง)
สำหรับข้อมูลจำเพาะของรูเพลา H (รูกลม), V, F (รูขั้นบันได) และ Y (รูขั้นบันไดที่ปลายทั้งสองด้าน) จะไม่มีรูเกลียวอยู่
ภายในรูเพลาอาจไม่ได้รับการเคลือบผิว
สำหรับรอก T10250 และ T10300 ที่มีฟัน 44 ถึง 60 ฟัน ระยะพิทช์ของรูคือ 11 สำหรับรอก T10400 และ T10600 ระยะพิทช์ของรูคือ (LW)/2
ขนาดในวงเล็บภายในมิติ L หมายถึงรอกที่มีฟัน 44 ถึง 60 ฟัน
* สำหรับรอกที่มีรอกแบบ A และรูเพลาแบบ P หรือ N รูเกลียวทั้ง 2 รูจะอยู่ห่างจากจุดศูนย์กลางช่องว่างฟันประมาณ 120° หรือ 90°