ส่งคำถามตอนนี้
คุณสมบัติผลิตภัณฑ์:
โครงสร้างฟันที่ผ่านการกลึงอย่างแม่นยำช่วยให้สายพานและรอกทำงานเข้ากันแน่นหนา ป้องกันการลื่นไถลและการจัดตำแหน่งที่ไม่ถูกต้องได้อย่างมีประสิทธิภาพ
อัตราการส่งผ่านที่แม่นยำทำให้เหมาะกับอุปกรณ์ลำเลียงน้ำหนักเบาที่ต้องการความแม่นยำในการวางตำแหน่งสูง
ความลึกของฟันและข้อมูลจำเพาะเป็นไปตามมาตรฐานสากล (MXL, XL, L, H เป็นต้น) ช่วยให้เปลี่ยนและสลับกันได้ง่าย
ประสิทธิภาพการส่งข้อมูลเกิน 98% โดยมีการสูญเสียพลังงานเพียงเล็กน้อย
การทำงานที่ราบรื่น การสั่นสะเทือนต่ำ และเสียงรบกวนต่ำในระหว่างการทำงาน ทำให้เหมาะอย่างยิ่งสำหรับสภาพแวดล้อมที่ไวต่อเสียง เช่น สำนักงานและการแปรรูปอาหาร
การออกแบบที่มีแรงเสียดทานต่ำช่วยลดการสึกหรอของสายพานและรอกและยืดอายุการใช้งาน
มีอินเทอร์เฟซการติดตั้งให้เลือกใช้หลากหลาย รวมถึงรูมาตรฐาน ลิ่มร่อง สกรูเซ็ต และปลอกขยาย
การออกแบบที่กะทัดรัดช่วยให้สามารถบูรณาการเข้ากับระบบสายพานลำเลียงได้สะดวก ช่วยประหยัดพื้นที่อุปกรณ์
การเปลี่ยนเป็นเรื่องง่ายโดยไม่ต้องถอดประกอบอุปกรณ์จำนวนมาก
มอบโซลูชันการส่งกำลังที่เชื่อถือได้ในทุกระยะพิทช์ (MXL 2.032 มม., XL 5.08 มม., L 9.525 มม.) ออกแบบมาเพื่อการส่งแรงบิดปานกลาง การลำเลียงงานเบา และการใช้งานความเร็วสูง โครงสร้าง MXL ที่ออกแบบอย่างแม่นยำตอบโจทย์ความต้องการระบบขับเคลื่อนความเร็วสูงในอุปกรณ์ขนาดกะทัดรัด โปรไฟล์ XL อเนกประสงค์เหมาะสำหรับสถานการณ์ความเร็วสูงที่หลากหลาย ในขณะที่โครงสร้าง L-series ที่แข็งแกร่งผสานรวมความสมบูรณ์ของโครงสร้างที่เพิ่มขึ้นเข้ากับความคลาดเคลื่อนของความเร็วเชิงเส้นที่เหนือกว่า รอกเหล่านี้จึงเป็นโซลูชันที่เหมาะสมที่สุดสำหรับสายการผลิตอัตโนมัติ เครื่องจักรขนาดกะทัดรัด และระบบขนถ่ายวัสดุ
รอกไทม์มิ่ง MXL
| พิมพ์ | วัสดุ | การบำบัดพื้นผิว | ||||
| ความกว้างสายพาน: 4.8 มม. (3/16 นิ้ว) | ความกว้างสายพาน: 6.4 มม. (1/4 นิ้ว) | ความกว้างของสายพาน: 9.5 มม. (3 /8 นิ้ว) | ความกว้างของสายพาน: 12.7 มม. (1 /2 นิ้ว) | รอก | หน้าแปลน | |
| A:6 W:10 L:16.5 | A:7.5 W:11.5 L:18 | A:11 W: 15 L: 22 | A:14 W:1 9 L:25 | |||
| AW**MXL019 | AW**MXL025 | AW**MXL037 | เอดับบลิว**MXL050 | 6061 | 6061 | การชุบอะโนไดซ์แบบธรรมชาติ |
| AB**MXL019 | AB**MXL025 | AB**MXL037 | AB**MXL050 | การชุบอะโนไดซ์สีดำ | ||
| อา**MXL019 | AH**MXL025 | AH**MXL037 | AH**MXL050 | การชุบอะโนไดซ์แบบแข็ง | ||
| AN**MXL019 | AN**MXL025 | AN**MXL037 | AN**MXL050 | การชุบนิกเกิล | ||
| - | SF**MXL025 | SF**MXL037 | - | S45C | S45C | การเคลือบออกไซด์สีดำ |
| - | SN**MXL025 | SN**MXL037 | - | การชุบนิกเกิล | ||
| - | SU**MXL025 | SU**MXL037 | - | SUS303 | - | |
รอกไทม์มิ่ง XL
| พิมพ์ | วัสดุ | การบำบัดพื้นผิว | ||||
| ความกว้างสายพาน: 6.4 มม. (1/4 นิ้ว) | ความกว้างสายพาน: 7.9 มม. (5/16 นิ้ว) | ความกว้างของสายพาน: 9.5 มม. (3 /8 นิ้ว) | ความกว้างของสายพาน: 12.7 มม. (1 /2 นิ้ว) | รอก | หน้าแปลน | |
| A:7.5 W:12.5 L:21 | A:9 W:14 L:23 | A:11 W:16 L:25 | A:14 W:19 L:28 | |||
| เอดับบลิว**XL025 | เอดับบลิว**XL031 | เอดับบลิว**XL037 | เอดับบลิว**XL050 | 6061 | 6061 | การชุบอะโนไดซ์แบบธรรมชาติ |
| AB**XL025 | AB**XL031 | AB**XL037 | AB**XL050 | การชุบอะโนไดซ์สีดำ | ||
| AH**XL025 | AH**XL031 | AH**XL037 | AH**XL050 | การชุบอะโนไดซ์แบบแข็ง | ||
| AN**XL025 | AN**XL031 | AN**XL037 | AN**XL050 | การชุบนิกเกิล | ||
| SF**XL025 | - | SF**XL037 | SF**XL050 | S45C | เอสพีซีซี | การเคลือบออกไซด์สีดำ |
| SN**XL025 | - | SN**XL037 | SN**XL050 | การชุบนิกเกิล | ||
| SU**XL025 | - | SU**XL037 | ซู**เอ็กแอล050 | SUS303 | - | |
รอกไทม์มิ่ง L
| พิมพ์ | วัสดุ | การบำบัดพื้นผิว | ||||
| ความกว้างสายพาน: 12.7 มม. (1/2 นิ้ว) | ความกว้างสายพาน: 19.1 มม. (3/4 นิ้ว) | ความกว้างของสายพาน: 25.4 มม. (1 นิ้ว) | ความกว้างของสายพาน: 38.1 มม. (1.5 นิ้ว) | รอก | หน้าแปลน | |
| A:14 W:19 L:31(39) | A:21 W:26 L:38(46) | A:27 W:32 L:44(53) | A:40 W:45 L:57 | |||
| เอดับบลิว**L050 | เอดับบลิว**L075 | อ๊าฟ**ล100 | อ๊าฟ**L150 | 6061 | 6061 | การชุบอะโนไดซ์แบบธรรมชาติ |
| AB**L050 | AB**L075 | เอบี**แอล100 | เอบี**แอล150 | การชุบอะโนไดซ์สีดำ | ||
| อาฮ**ล050 | อาฮ**ล075 | อาฮ**ล100 | อาฮ**ล150 | การชุบอะโนไดซ์แบบแข็ง | ||
| AN**L050 | AN**L075 | อัน**แอล100 | เอเอ็น**แอล150 | การชุบนิกเกิล | ||
| SF**L050 | SF**L075 | SF**L100 | SF**L150 | S45C | เอสพีซีซี | การเคลือบออกไซด์สีดำ |
| SN**L050 | SN**L075 | SN**L100 | SN**L150 | การชุบนิกเกิล | ||
รอกไทม์มิ่ง H
| พิมพ์ | วัสดุ | การบำบัดพื้นผิว | ||||
| ความกว้างสายพาน: 19.1 มม. (3/4 นิ้ว) | ความกว้างสายพาน: 25.4 มม. (1 นิ้ว) | ความกว้างของสายพาน: 38.1 มม. (1.5 นิ้ว) | ความกว้างสายพาน: 50.8 มม. (2 นิ้ว) | รอก | หน้าแปลน | |
| A:21 W:26 L:41 | A:27 W:32 L:47 | A:40 W:45 L:60 | A:54 W:59 L:74 | |||
| อ๊า**H075 | เอดับบลิว**เอช100 | อ๊า**H150 | เอดับบลิว**เอช200 | 6061 | 6061 | การชุบอะโนไดซ์แบบธรรมชาติ |
| AB**H075 | เอบี**เอช100 | เอบี**เอช150 | เอบี**เอช200 | การชุบอะโนไดซ์สีดำ | ||
| อาฮ**ฮ075 | อา**เอช100 | อา**H150 | อาฮ**เอช200 | การชุบอะโนไดซ์แบบแข็ง | ||
| อัน**H075 | เอเอ็น**เอช100 | อัน**เอช150 | อัน**เอช200 | การชุบนิกเกิล | ||
| SF**H075 | SF**H100 | SF**H150 | SF**H200 | S45C | เอสพีซีซี | การเคลือบออกไซด์สีดำ |
| SN**H075 | SN**H100 | SN**H150 | SN**H200 | การชุบนิกเกิล | ||
รอกไทม์มิ่ง MXL

รอกไทม์มิ่ง XL

รอกไทม์มิ่ง L

รอกไทม์มิ่ง H

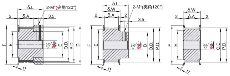
โปรไฟล์ฟัน ①โปรไฟล์รอก
ประเภท K ประเภท B ประเภท A

จำนวนหลัง △ : จำนวนฟัน: 23 หรือ น้อยกว่า
ขนาดร่องอาจแตกต่างกันเล็กน้อยขึ้นอยู่กับจำนวนฟัน ระยะพิทช์ฟัน (2.032 มม.)
สำหรับข้อมูลจำเพาะของรูเพลา H (รูกลม), V, F (รูขั้นบันได) และ Y (รูขั้นบันไดที่ปลายทั้งสองด้าน) จะไม่มีรูเกลียว
ภายในรูเพลาอาจไม่ได้รับการเคลือบผิว
* สำหรับรอกชนิด A และรูเพลาแบบ P หรือ N รูเกลียวทั้ง 2 รูจะอยู่ห่างจากจุดศูนย์กลางของร่องฟันประมาณ 120° หรือ 90°
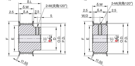
โปรไฟล์ฟัน ①โปรไฟล์รอก
ประเภท B ประเภท A

ขนาดร่องฟันจะแตกต่างกันเล็กน้อยขึ้นอยู่กับจำนวนฟัน ระยะพิทช์ฟัน (5.08 มม.)
สำหรับข้อมูลจำเพาะของรูเพลา H (รูกลม), V, F (รูขั้นบันได) และ Y (รูขั้นบันไดที่ปลายทั้งสองด้าน) จะไม่มีรูเกลียว
ภายในรูเพลาอาจไม่ได้รับการเคลือบผิว
มิติสูง: L50 = 5; L075 = 8; L100 = 11
* สำหรับรอกชนิด A และรูเพลาแบบ P หรือ N รูเกลียวทั้ง 2 รูจะอยู่ห่างจากจุดศูนย์กลางของร่องฟันประมาณ 120° หรือ 90°
โปรไฟล์ฟัน ①โปรไฟล์รอก
ขนาดร่องฟันจะแตกต่างกันเล็กน้อยขึ้นอยู่กับจำนวนฟัน ระยะพิทช์ฟัน (9.525 มม.)
สำหรับฟัน 60 หรือ 72 ซี่ t = 2 (ซี่โครงที่ตัด)
สำหรับข้อมูลจำเพาะของรูเพลา H (รูกลม), V, F (รูขั้นบันได) และ Y (รูขั้นบันไดที่ปลายทั้งสองด้าน) จะไม่มีรูเกลียวอยู่
ภายในรูเพลาอาจไม่ได้รับการเคลือบผิว
มิติสูง: L50 = 5; L075-8; L100 = 11
ขนาด L (ในวงเล็บ) สำหรับฟัน 60 ถึง 72 ซี่
* สำหรับรอกที่มีการกำหนดค่าแบบ A และมีรูเพลาแบบ P หรือ N รูเกลียวทั้งสองรูจะอยู่ห่างจากจุดศูนย์กลางของร่องฟันประมาณ 120° หรือ 90°
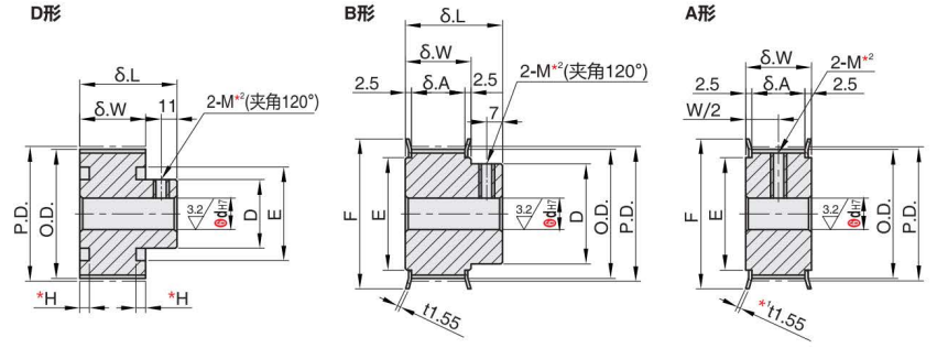
โปรไฟล์ฟัน ① โปรไฟล์รอก

ตัวเลขหลัง △ : จำนวนฟัน: 19 ซี่หรือน้อยกว่า
ขนาดร่องอาจแตกต่างกันเล็กน้อยขึ้นอยู่กับจำนวนฟัน ระยะพิทช์ฟัน (12.7 มม.)
สำหรับฟัน 38-50 ซี่ t = 2 (ซี่โครงตัด)
สำหรับข้อมูลจำเพาะของรูเพลา H (รูกลม), V, F (รูขั้นบันได) และ Y (รูขั้นบันไดที่ปลายทั้งสองด้าน) จะไม่มีรูเกลียวอยู่
ภายในรูเพลาอาจไม่ได้รับการเคลือบผิว
มิติ H: H100 = 11; H150 = 14
* สำหรับรอกชนิด A และรูเพลา P หรือ N รูเกลียวทั้งสองรูจะอยู่ห่างจากจุดศูนย์กลางของร่องประมาณ 120° หรือ 90°